Product Summary
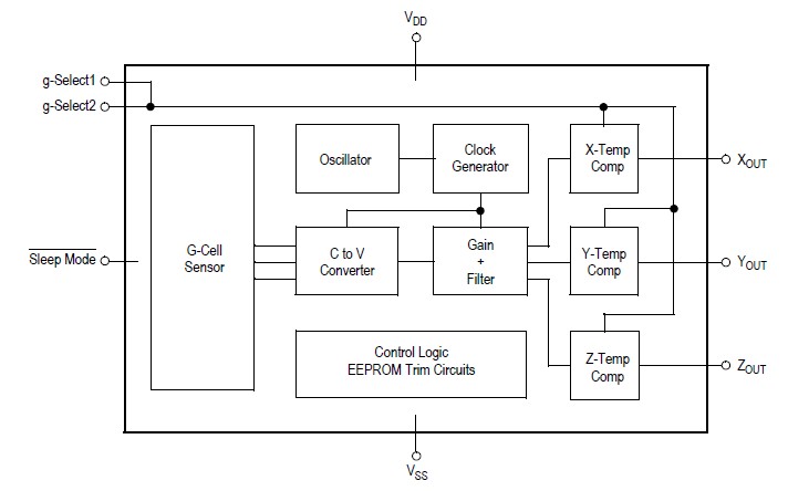
The MMA7260QT is a low cost capacitive micromachined accelerometer. It features signal conditioning, a 1-pole low pass filter, temperature compensation and g-Select which allows for the selection among 4 sensitivities. Includes a Sleep Mode that makes the MMA7260QT ideal for handheld battery powered electronics. The applications of the MMA7260QT include: HDD MP3 Player: Freefall Detection, Laptop PC: Freefall Detection, Anti-Theft, Cell Phone: Image Stability, Text Scroll, Motion Dialing, E-Compass, Pedometer: Motion Sensing, PDA: Text Scroll, Navigation and Dead Reckoning: E-Compass Tilt Compensation, Gaming: Tilt and Motion Sensing, Event Recorder, Robotics: Motion Sensing.
Parametrics
MMA7260QT absolute maximum ratings: (1)Maximum Acceleration (all axis) gmax: ±2000 g; (2)Supply Voltage VDD: -0.3 to +3.6 V; (3)Drop Test Ddrop: 1.8 m; (4)Storage Temperature Range Tstg: -40 to +125 ℃.
Features
MMA7260QT features: (1)Selectable Sensitivity (1.5g/2g/4g/6g); (2)Low Current Consumption: 500 μA; (3)Sleep Mode: 3 μA; (4)Low Voltage Operation: 2.2 V to 3.6 V; (5)6mm × 6mm × 1.45mm QFN; (6)High Sensitivity (800 mV/g @ 1.5g); (7)Fast Turn On Time; (8)Integral Signal Conditioning with Low Pass Filter; (9)Robust Design, High Shocks Survivability; (10)Pb-Free Terminations; (11)Environmentally Preferred Package; (12)Low Cost.
Diagrams

| Image | Part No | Mfg | Description | ![]() |
Pricing (USD) |
Quantity | ||||
|---|---|---|---|---|---|---|---|---|---|---|
![]() |
![]() MMA7260QT |
![]() Freescale Semiconductor |
![]() Board Mount Accelerometers 1.5G XYZ QFN 16 LDS |
![]() Data Sheet |
![]() Negotiable |
|
||||
| Image | Part No | Mfg | Description | ![]() |
Pricing (USD) |
Quantity | ||||
![]() |
![]() MMA701A |
![]() Other |
![]() |
![]() Data Sheet |
![]() Negotiable |
|
||||
![]() |
![]() MMA707 |
![]() Other |
![]() |
![]() Data Sheet |
![]() Negotiable |
|
||||
![]() |
![]() MMA709 |
![]() Other |
![]() |
![]() Data Sheet |
![]() Negotiable |
|
||||
![]() |
![]() MMA710 |
![]() Other |
![]() |
![]() Data Sheet |
![]() Negotiable |
|
||||
![]() |
![]() MMA7260Q |
![]() Freescale Semiconductor |
![]() Board Mount Accelerometers 1.5G Sensor Accel 3 Axis |
![]() Data Sheet |
![]() Negotiable |
|
||||
![]() |
![]() MMA7260QR2 |
![]() Freescale Semiconductor |
![]() Board Mount Accelerometers 1.5G XYZ LEADS |
![]() Data Sheet |
![]() Negotiable |
|
||||
(China (Mainland))










