Product Summary
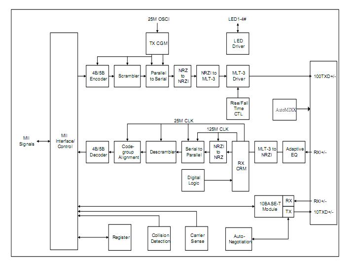
The DM9161AEP is a physical layer, single-chip, and low power transceiver for 100BASE-TX and 10BASE-T operations. On the media side, it provides a direct interface either to Unshielded Twisted Pair Category 5 Cable(UTP5) for 100BASE-TX Fast Ethernet, or UTP5/UTP3 Cable for 10BASE-T Ethernet. Through the Media Independent Interface (MII), the DM9161AEP connects to the Medium Access Control (MAC) layer, ensuring a high inter operability from different vendors. The DM9161AEP uses a low power and high performance advanced CMOS process. It contains the entire physical layer functions of 100BASE-TX as defined by IEEE802.3u, including the Physical Coding Sublayer (PCS), Physical Medium Attachment (PMA), Twisted Pair Physical Medium Dependent Sublayer (TP-PMD), 10BASE-TX Encoder/Decoder (ENC/DEC), and Twisted Pair Media Access Unit (TPMAU). The applications of the DM9161AEP include: VoIP CPE (ATA, IP Phone, Video Phone), IP STB, IPC, Internet Radio, IP CAM, DVR, Router.
Parametrics
DM9161AEP absolute maximum ratings: (1)DVDD, Supply Voltage: -0.3 to 3.6V; (2)VIN, DC Input Voltage (VIN): -0.5 to 5.5V; (3)VOUT, DC Output Voltage(VOUT): -0.3 to 3.6V; (4)Tstg, Storage Temperature Rang (Tstg): -65 to +150℃; (5)Tc, Case Temperature: 0 to 85℃ @Ta=0 to 70℃; (6)LT, Lead Temp. (TL, Soldering, 10 sec.): -260℃.
Features
DM9161AEP features: (1)Fully comply with IEEE 802.3 / IEEE 802.3u 10Base-T/100Base-TX, ANSI X3T12 TP-PMD 1995 standard; (2)Support MDI/MDI-X auto crossover function (Auto-MDI); (3)Support Auto-Negotiation function, compliant with IEEE 802.3u; (4)Fully integrated Physical layer transceiver On-chip filtering with direct interface to magnetic transformer; (5)Selectable repeater or node mode; (6)Selectable MII or RMII (Reduced MII) mode for 100Base-TX and 10Base-TX. Selectable MII or GPSI (7-Wired) mode for 10Base-T; (7)Selectable full-duplex or half-duplex operation; (8)MII management interface with maskable interrupt output capability; (9)Provide Loopback mode for easy system diagnostics; (10)LED status outputs indicate Link/ Activity, Speed10/100 and Full-duplex/Collision. Support Dual-LED optional control; (11)Single low power Supply of 3.3V with an advanced CMOS technology.
Diagrams

![]() |
![]() DM9161A |
![]() Other |
![]() |
![]() Data Sheet |
![]() Negotiable |
|
||||
![]() |
![]() DM9161 |
![]() Other |
![]() |
![]() Data Sheet |
![]() Negotiable |
|
||||
![]() |
![]() DM9102D |
![]() Other |
![]() |
![]() Data Sheet |
![]() Negotiable |
|
||||
![]() |
![]() DM9102A |
![]() Other |
![]() |
![]() Data Sheet |
![]() Negotiable |
|
||||
(China (Mainland))








