Product Summary
The FLL600IQ-2 is a 60 Watt GaAs FET that employs a push-pull design which offers ease of matching, greater consistency and a broader bandwidth for high power L-band amplifiers. The FLL600IQ-2 is targeted to reduce the size and complexity of highly linear, high power base station transmitting amplifiers. This new product is uniquely suited for use in PCS/PCN base station amplifiers as it offers high gain, long term reliability and ease of use. The FLL600IQ-2 is used in Solid State Power Amplifier, PCS/PCN Communication Systems.
Parametrics
FLL600IQ-2 absolute maximum ratings: (1)Drain Current, IDSS, when VDS = 5V, VGS = 0V: 24 to 32A; (2)Transconductance, gm, when VDS = 5V, IDS = 14.4A: 12S; (3)Pinch-Off Voltage, Vp, when VDS = 5V, IDS = 1.44A: -1.0 to -3.5V; (4)Gate-Source Breakdown Voltage, VGSO, when IGS = -1.44mA: -5V; (5)Output Power at 1 dB G.C.P, when VDS = 12V, f=1.96GHz, IDS = 4.0A: 47.0 to 48.0dBM; (6)Power Gain at 1 dB G.C.P., when VDS = 12V, f=1.96GHz, IDS = 4.0A: 9.5 to 10.5dB.
Features
FLL600IQ-2 features: (1)Push-Pull Configuration; (2)High Power Output: 60W (Typ.); (3)High PAE: 43% (Typ.); (4)Broad Frequency Range: 800 to 2000 MHz.; (5)Suitable for class AB operation.
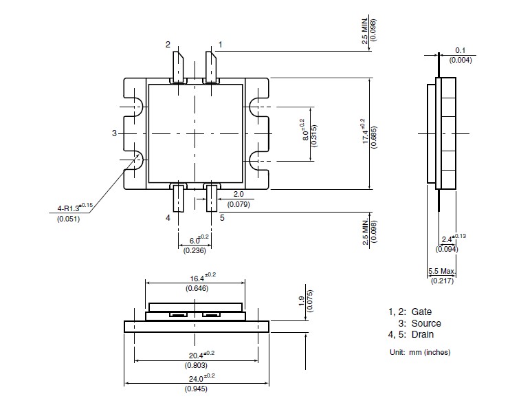
Diagrams

| Image | Part No | Mfg | Description | ![]() |
Pricing (USD) |
Quantity | ||||
|---|---|---|---|---|---|---|---|---|---|---|
![]() |
![]() FLL600IQ-2 |
![]() Other |
![]() |
![]() Data Sheet |
![]() Negotiable |
|
||||
| Image | Part No | Mfg | Description | ![]() |
Pricing (USD) |
Quantity | ||||
![]() |
![]() FLL600IQ-2 |
![]() Other |
![]() |
![]() Data Sheet |
![]() Negotiable |
|
||||
(China (Mainland))









