Product Summary
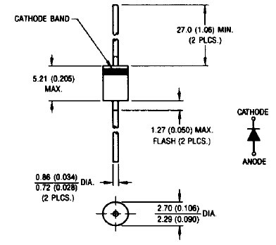
The MBR150 is an axial leaded Schottky rectifier. It has been optimized for very low forward voltage drop, with moderate leakage. Typical applications of the MBR150 are in switching power supplies, converters, free-wheeling diodes, and reverse battery protection.
Parametrics
MBR150 absolute maximum ratings: (1)IF(AV) Max. Average Forward Current: 1.0 A; (2)IFSM Max. Peak One Cycle Non-Repetitive: 150 A; (3)EAS Non-Repetitive Avalanche Energy: 2.0 mJ; (4)IAR Repetitive Avalanche Current: 1.0 A.
Features
MBR150 features: (1)Low profile, axial leaded outline; (2)High purity, high temperature epoxy encapsulation for enhanced mechanical strength and moisture resistance; (3)Very low forward voltage drop; (4)High frequency operation; (5)Guard ring for enhanced ruggedness and long term reliability.
Diagrams

| Image | Part No | Mfg | Description | ![]() |
Pricing (USD) |
Quantity | ||||||||||||
|---|---|---|---|---|---|---|---|---|---|---|---|---|---|---|---|---|---|---|
![]() |
![]() MBR150G |
![]() ON Semiconductor |
![]() Schottky (Diodes & Rectifiers) 1A 50V |
![]() Data Sheet |
![]()
|
|
||||||||||||
![]() |
![]() MBR150TR |
![]() |
![]() DIODE SCHOTTKY 50V 1A DO-204AL |
![]() Data Sheet |
![]()
|
|
||||||||||||
![]() |
![]() MBR150RLG |
![]() ON Semiconductor |
![]() Schottky (Diodes & Rectifiers) 1A 50V |
![]() Data Sheet |
![]()
|
|
||||||||||||
![]() |
![]() MBR150RL |
![]() ON Semiconductor |
![]() Schottky (Diodes & Rectifiers) 1A 50V |
![]() Data Sheet |
![]() Negotiable |
|
||||||||||||
![]() |
![]() MBR1505 |
![]() Other |
![]() |
![]() Data Sheet |
![]() Negotiable |
|
||||||||||||
![]() |
![]() MBR150, MBR160 |
![]() Other |
![]() |
![]() Data Sheet |
![]() Negotiable |
|
||||||||||||
![]() |
![]() MBR150 |
![]() ON Semiconductor |
![]() Schottky (Diodes & Rectifiers) 1A 50V |
![]() Data Sheet |
![]() Negotiable |
|
||||||||||||
(China (Mainland))











