Product Summary
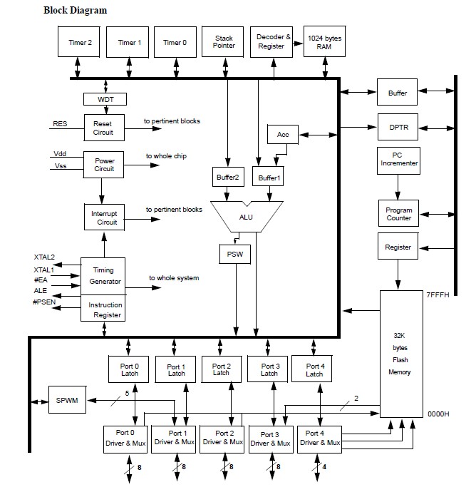
The SM8958AC25PP is an 8 - bit single chip micro controller with 32KB on-chip flash and 1K byte RAM embedded. The SM8958AC25PP is a derivative of the 8052 micro controller family. The SM8958AC25PP has 5-channel SPWM build-in. User can access on-chip expanded RAM with easier and faster way by its bank mapping direct addressing mode scheme. With its hardware features and powerful instruction set, its straight forward to make it a versatile and cost effective controller for those applications.
Parametrics
SM8958AC25PP absolute maximum ratings: (1)TA Operating temperature: 25 to 70 ℃ Ambient temperature under bias; (2)TS Storage temperature: -55 to 155 ℃; (3)VCC Supply voltage: 4.5 to 5.5 V For C Version; (4)Oscillator Frequency: 3.0 to 16 MHz For 5V, 3.3V application.
Features
SM8958AC25PP features: (1)General 8052 family compatible; (2)12 clocks per machine cycle; (3)32K byte on chip program flash; (4)1024 byte on-chip data RAM; (5)Three 16 bit Timers/Counters; (6)One Watch Dog Timer; (7)Four 8-bit I/O ports for PDIP package; (8)Four 8-bit I/O ports + one 4-bit I/O ports for PLCC or QFP package; (9)Full duplex serial channel; (10)Bit operation instruction; (11)Page free jumps; (12)8-bit Unsigned Division; (13)8-bit Unsigned Multiply; (14)BCD arithmetic; (15)Direct Addressing.
Diagrams

![]()  | 
                            ![]() SM89516  | 
                            ![]() Other  | 
                            ![]()  | 
                            ![]() Data Sheet  | 
                            ![]() Negotiable  | 
                            
                            	 | 
                      ||||
![]()  | 
                            ![]() SM89516A  | 
                            ![]() Other  | 
                            ![]()  | 
                            ![]() Data Sheet  | 
                            ![]() Negotiable  | 
                            
                            	 | 
                      ||||
![]()  | 
                            ![]() SM8951A  | 
                            ![]() Other  | 
                            ![]()  | 
                            ![]() Data Sheet  | 
                            ![]() Negotiable  | 
                            
                            	 | 
                      ||||
![]()  | 
                            ![]() SM8952A  | 
                            ![]() Other  | 
                            ![]()  | 
                            ![]() Data Sheet  | 
                            ![]() Negotiable  | 
                            
                            	 | 
                      ||||
![]()  | 
                            ![]() SM8954A  | 
                            ![]() Other  | 
                            ![]()  | 
                            ![]() Data Sheet  | 
                            ![]() Negotiable  | 
                            
                            	 | 
                      ||||
![]()  | 
                            ![]() SM8958A  | 
                            ![]() Other  | 
                            ![]()  | 
                            ![]() Data Sheet  | 
                            ![]() Negotiable  | 
                            
                            	 | 
                      ||||
 (China (Mainland)) 
                         
                        
                                    






